.word 格式 .
. 专业资料 . 学习参考 .
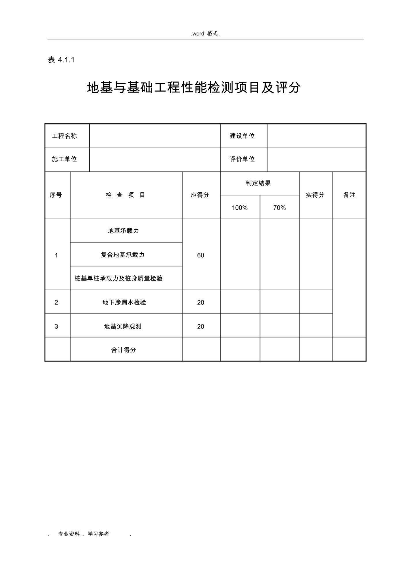
表 4.1.1
地基与基础工程性能检测项目及评分
工程名称 建设单位
施工单位 评价单位
序号 检 查 项 目 应得分
判定结果
实得分 备注
100% 70%
1
地基承载力
60 复合地基承载力
桩基单桩承载力及桩身质量检验
2 地下渗漏水检验 20
3 地基沉降观测 20
合计得分
.word 格式 .
. 专业资料 . 学习参考 .
核
查
结
果
性能检测项目分值 40 分。
应得分合计 :
实得分合计 :
地基与基础工程性能检测得分 = ×40=
评价人员 : 年 月 日
实得分合计
应得分合计
.word 格式 .
. 专业资料 . 学习参考 .
表 4.2.1
地基与基础工程质量记录项目及评分
工程名称 建设单位
施工单位 评价单位
序号 检 查 项 目 应得分
判定结果
实得分 备注
100%