隐蔽工程检查验收记录
2014 年 8 月 9 日 质检表 4
工程名称
2014年度山区农村小舜江饮用水工程
(湖塘街道郭家山村)
施工单位
绍兴柯桥恒通水务建设有限
公司
隐检项目 碎石垫层 隐检范围 阀门井
隐检
内容
及
检查
情况
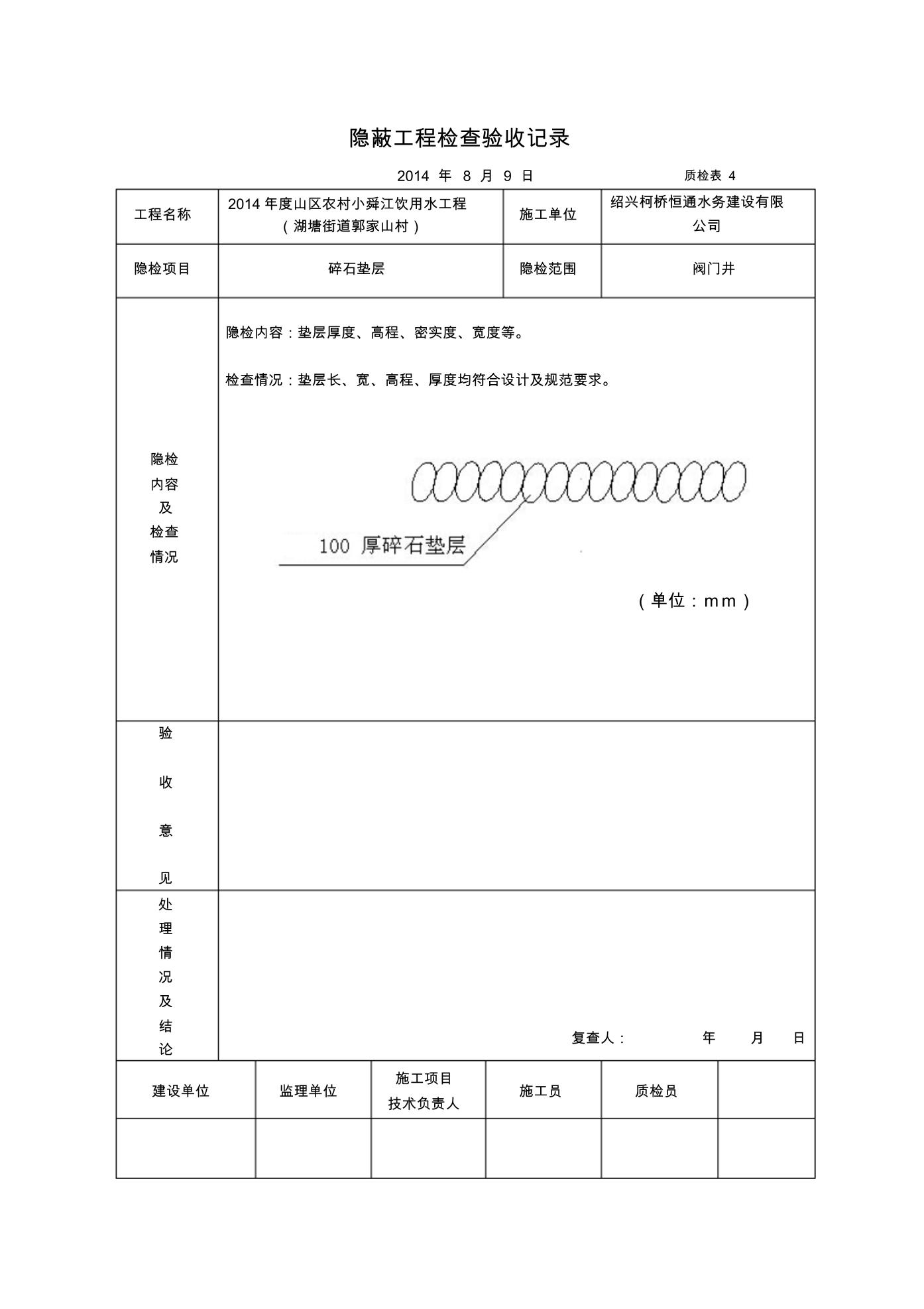
隐检内容:垫层厚度、高程、密实度、宽度等。
检查情况:垫层长、宽、高程、厚度均符合设计及规范要求。
(单位:mm)
验
收
意
见
处
理
情
况
及
结
论
复查人: 年 月 日
建设单位 监理单位
施工项目
技术负责人
施工员 质检员
预检工程检查记录
质检表 3
工程名称
2014 年度山区农村小舜江饮用水工
程(湖塘街道郭家山村)
施工单位 绍兴柯桥恒通水务建设有限公司
检查项目 模 板 预检部位 阀门井砼底板
预
检
内
容
模板平整度,模板的几何尺寸、轴线位置、支撑情况,拼缝情况,模板内
是否洁净、上油等。
检
查
情
况
经检查:井底板